Tras la reparación exitosa del Vieta A-225, ha llegado a mis manos un modelo de Vieta un poco anterior, el Vieta A-215.
Es un modelo relativamente poco frecuente, pero muy parecido a nivel de circuitos al famoso Vieta A-217. El circuito es prácticamente idéntico, salvo los valores de los condensadores de realimentación de la etapa de potencia.
La otra diferencia entre ambos amplificadores es el aspecto, el Vieta A-217 tiene un aspecto más metálico, que el A-215, que tiene aspecto más beige-clásico. Personalmente me gusta más el diseño del A-215, así que me parece una buena adquisición.
Aunque pueda ser tentador, hay que recordar que no hay que conectarlo a la corriente para ver si funciona. Esto, en el 99% de los casos, va a causar más problemas debido principalmente a los condensadores en mal estado.
Toca ponerse manos a la obra y ¡Volver a dejarlo como nuevo!
Estado del amplificador
Lo primero que se puede observar, es que en general se encuentra en un estado correcto.
En la carcasa del frontal hay partes en la que la pintura se ha caído, con lo que habrá que volver a re-pintarlo todo para dejarlo en buen estado cosmético.
Por otro lado, observando la parte de atrás:

Se observa que también está en un estado bastante bueno. Falta la tapa que bloquea el cambio de tensiones, pero salvo eso todo lo demás está bien.
También están correctos y en su sitio los puentes de la unidad de reverberación. Estos puentes son importantes porque sin ellos no habría paso de señal y el amplificador permanecería mudo.
El objetivo de esas salidas, es para intercalar una unidad de reverberación. Vieta no especificó que unidad de reverberación se podía utilizar, pero está claro que este sistema está pensado para usarse con una unidad de reverberación como el The Fisher Dynamic Spacexpander K-10. Sería un tema interesante para el futuro probar la reverberación con este tipo de sistemas.
Toca quitar la carcasa superior para ver a que nos enfrentamos:

Todas las válvulas son sus Siemens originales y en buen estado, sobre el 70% de emisión. Utiliza las siguientes válvulas:
- 2x ECC83: Preamplificadoras de bajo nivel.
- 1x ECC83: Amplificadora del control de tonos pasivo.
- 1x ECC83: Amplificadora de la etapa de potencia.
- 1x ECC82: Inversora de fase.
- 4x EL84: Amplificadoras de potencia.
- 1x GZ34: Rectificadora de alta tensión.
Los transformadores CBL también son originales y parece que están correctos al menos a nivel visual.
Y por último, el circuito:

Todo original también y bastante bien construido.
Puesta a punto del Vieta A-215
Una vez comprobado, llega el momento de proceder con la reparación en sí.
La estrategia a seguir es la de cambiar principalmente todos los condensadores que estén defectuosos, así como el puente rectificador de selenio.
Este rectificador genera la tensión negativa de BIAS y alimentación en DC para los filamentos de las válvulas de previo.
Además, será necesario limpiar todos los potenciómetros con limpiacontactos para que no rasquen al girarlos.
Como modificación extra, hay que eliminar el conmutador de tensiones. Hoy en día en España no existen los 125V y si por algún despiste se cambia el conmutador a esta posición, se destruiría el transformador de alimentación.
Otra mejora e el cambiar el cable de alimentación por uno moderno que tenga toma de tierra, para mayor protección. También añadir un varistor para proteger al transformador de alimentación de sobretensiones, así como de fusibles y diodos de protección extras para la GZ34.
No hay que olvidarse de poner resistencias de 1 Ohm, 1% de tolerancia en los cátodos de las EL84. Con esto se podrá medir la intensidad con la que está polarizada cada una de forma muy fácil.
De los condensadores, los amarillos son condensadores de poliester bianchi. Estos condensadores son de poliester, con lo que no hacen falta cambiarlos. Tan sólo hay que cambiar los electrolíticos, que son unos cuantos, así que… ¡Manos a la obra!

Y… ¡Listo!
Problemas extra inesperados
En el transcurso de la reparación, a raíz de añadir la toma de tierra al amplificador, me di cuenta de que al accionar el interruptor de encendido a veces saltaba el diferencial de la casa.
Una comprobación rápida confirmó que, en ocasiones, al girar el interruptor se producían fugas momentáneas a tierra. Para evitar esto, lo reemplacé por otro interruptor mejor que el original, aprovechando además para conmutar los dos polos de la red.
Ajustes, pruebas y esquema del Vieta A-215
Una vez todos los condensadores cambiados, y las modificaciones oportunas hechas, toca ajustar el BIAS de las válvulas.
En este amplificador hay tres ajustes:
- Uno para establecer la tensión general de BIAS.
- Otro por cada canal para balancear esta tensión de polarización entre las dos EL84.
Para ajustarlos, nos basta con un multímetro y resistencias de carga en la salida de altavoces.
En primer lugar, hay que decidir que intensidad queremos que circule por cada EL84. Como la tensión es bastante alta, es mejor optar por intensidades pequeñas para mantener la disipación de placa en márgenes seguros. En este caso yo opté por unos 25mA en cada placa aproximadamente.
La idea es, mantener los potenciómetros de balance de BIAS en el centro, y primero ajustar el potenciómetro de la tensión general, hasta obtener mas o menos la intensidad que deseamos en las EL84.
Tras esto, moviendo los potes de balance, ajustamos para que la intensidad de cada pareja de EL84 quede lo más idéntica posible.
Una vez terminado este procedimiento, el amplificador está listo para usarse, trabajo terminado y ¡Con un sonido estupendo!
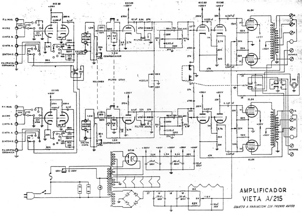
Para referencia, aquí está el esquema del Vieta A-215:


